注意:访问本站需要Cookie和JavaScript支持!请设置您的浏览器! 打开购物车 查看留言付款方式联系我们
初中电子 单片机教材一 单片机教材二
搜索上次看见的商品或文章:
商品名、介绍 文章名、内容
首页 电子入门 学单片机 免费资源 下载中心 商品列表 象棋在线 在线绘图 加盟五一 加入收藏 设为首页
本站推荐:
用与非门制作的电子蜡烛
文章长度[1025] 加入时间[2006/7/1] 更新时间[2026/2/3 15:34:26] 级别[3] [评论] [收藏]



2003年,第5期,类别:电子制作


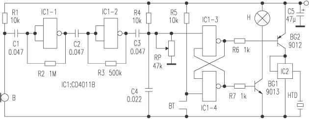
    本电子生日蜡烛电路虽然简单,但却具有一定的仿真性:火柴点火,风吹熄火。电路如图所示。
    电路中IC1-3与IC1-4构成RS触发器,刚接通电源时,电容C4上的电压不会突变,使IC1-3输出高电平,IC1-4输出低电平,BG1、BG2均不导通,灯(蜡烛)H不亮,音乐电路IC2也不工作。BT是双金属片构成的火焰传感器,用火柴加热BT时,BT闭合导通,RS触发器输出状态翻转,IC1-4输出高电平,BG1导通,蜡烛H点亮。IC1-3输出低电平,BG2导通,IC2得电,奏出“祝你生日快乐”的音乐声。
    B是驻极体话筒,吹蜡烛时,吹气声由B拾取,经IC1-1、IC1-2放大后触发RS触发器翻转,灯熄乐停。

                                                                         浙江  郑华东



1、 本站不保证以上观点正确,就算是本站原创作品,本站也不保证内容正确。
2、如果您拥有本文版权,并且不想在本站转载,请书面通知本站立即删除并且向您公开道歉! 以上可能是本站收集或者转载的文章,本站可能没有文章中的元件或产品,如果您需要类似的商品请 点这里查看商品列表!
本站协议 | 版权信息 |  关于我们 |  本站地图 |  营业执照 |  发票说明 |  付款方式 |  联系方式
深圳市宝安区西乡五壹电子商行——粤ICP备16073394号-1;地址:深圳西乡河西四坊183号;邮编:518102
E-mail:51dz$163.com($改为@);Tel:(0755)27947428
工作时间:9:30-12:00和13:30-17:30和18:30-20:30,无人接听时可以再打手机13537585389