|
引言
开关电源以其高效率、小体积等优点获得了广泛应用。传统的开关电源普遍采用电压型脉宽调制(PWM)技术,而近年电流型PWM技术得到了飞速发展。相比电压型PWM,电流型PWM具有更好的电压调整率和负载调整率,系统的稳定性和动态特性也得以明显改善,特别是其内在的限流能力和并联均流能力使控制电路变得简单可靠。
电流型PWM集成控制器已经产品化,极大推动了小功率开关电源的发展和应用,电流型PWM控制小功率电源已经取代电压型PWM控制小功率电源。Unitrode公司推出的UC3842系列控制芯片是电流型PWM控制器的典型代表。
DC/DC转换器
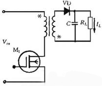
转换器是开关电源中最重要的组成部分之一,其有5种基本类型:单端正激式、单端反激式、推挽式、半桥式和全桥式转换器。下面重点分析隔离式单端反激转换电路,电路结构图如图1所示。

图1 电路结构图
电路工作过程如下:当M1导通时,它在变压器初级电感线圈中存储能量,与变压器次级相连的二极管VD处于反偏压状态,所以二极管VD截止,在变压器次级无电流流过,即没有能量传递给负载;当M1截止时,变压器次级电感线圈中的电压极性反转,使VD导通,给输出电容C充电,同时负载R上也有电流I流过。M1导通与截止的等效拓扑如图2所示。

图2 M1导通与截止的等效拓扑
电流型PWM
与电压型PWM比较,电流型PWM控制在保留了输出电压反馈控制外,又增加了一个电感电流反馈环节,并以此电流反馈作为PWM所必须的斜坡函数。
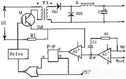
下面分析理想空载下电流型PWM电路的工作情况(不考虑互感)。电路如图3所示。设V导通,则有
L·diL/dt = ui (1)
iL以斜率ui/L线性增长,L为T1原边电感。经无感电阻R1采样Ud=R1·iL送到脉宽比较器A2与Ue比较,当Ud>Ue,A2输出高电平,送到RS锁存器的复位端,此时或非门的两个输入中必有一个高电平,经过或非门输出低电平关断功率开关管V。当时钟输出为高电平时,或非门输出始终为低电平,封锁PWM,这段时间由时钟振荡器OSC输出脉冲宽度决定,即PWM信号的死区时间。在振荡器输出脉冲下降同时,或非门两输入均为低电平,经或非门输出为高电平,V导通。

图3 理想空载下电流型PWM电路
简言之,PWM信号的上升沿由振荡器下降沿决定,而PWM的下降沿由电感电流限值信号和误差信号Ue共同决定,最大脉宽的下降沿受振荡器上升沿控制。图4为其工作时序图。

图4 工作时序图
UC3842简介
Unitrode公司的UC3842是一种高性能固定频率电流型控制器,包含误差放大器、PWM比较器、PWM锁存器、振荡器、内部基准电源和欠压锁定等单元,其结构图如图5所示。

图5 UC3842结构图
各管脚功能简介如下。
1脚COMP是内部误差放大器的输出端,通常此脚与2脚之间接有反馈网络,以确定误差放大器的增益和频响。
2脚FEED BACK是反馈电压输入端,此脚与内部误差放大器同向输入端的基准电压(一般为 2.5V)进行比较,产生控制电压,控制脉冲的宽度。
3脚ISENSE是电流传感端。在外围电路中,在功率开关管(如VMos管)的源极串接一个小阻值的取样电阻,将脉冲变压器的电流转换成电压,此电压送入3脚,控制脉宽。此外,当电源电压异常时,功率开关管的电流增大,当取样电阻上的电压超过1V时,UC3842就停止输出,有效地保护了功率开关管。
4脚RT/CT是定时端.锯齿波振荡器外接定时电容C和定时电阻R的公共端。
5脚GND是接地。
6脚OUT是输出端,此脚为图滕柱式输出,驱动能力是±lA。这种图腾柱结构对被驱动的功率管的关断有利,因为当三极管VTl截止时,VT2导通,为功率管关断时提供了低阻抗的反向抽取电流回路,加速功率管的关断。
7脚Vcc是电源。当供电电压低于 +16V时,UC3824不工作,此时耗电在1mA以下。输入电压可以通过一个大阻值电阻从高压降压获得。芯片工作后,输入电压可在 10~ 30V之间波动,低于 10V停止工作。工作时耗电约为15mA,此电流可通过反馈电阻提供。
8脚VREF是基准电压输出,可输出精确的 5V基准电压,电流可达50mA。
UV3842的电压调整率可达0.01%,工作频率为500kHz,启动电流小于1mA,输入电压为10~30V,基准电压为4.9~5.1V,工作温度为0~70℃,输出电流为1A。
开关稳压电源
由UC3842构成的开关电源电路如图6所示,T为高频变压器。刚开机时,220V交流电先通过PNF滤掉射频干扰,再经过整流滤波获得约 300V直流电压,然后经R2降压后向UC3842提供 16V启动电压。R1是限流电阻,C1为滤波电容。正常工作后,自馈线圈N2上的高频电压经过VD1、C1整流滤波,就作为UC3842的正常工作电压。R5、C4用以改善内部误差放大器的频率响应,R1是斜坡补偿电阻。开关频率 。C5为消噪电容,R10是过流检测电阻,R7是VMOS开关功率管的栅极限流电阻。由C8、VD1、R11、VD2、C9构成两级吸收回路,用于吸收尖峰电压。VD1和VD3选用恢复二极管FR305。VD4为输出级的整流管,采用肖特基二极管,以满足高频、大电流整流之需要。

图6 UC3842构成的开关电源电路
当NMOS管导通时,初级线圈N1电流线性增大,磁场增强,次级线圈中VD4截止,由电容C10向负载供电;此时,脉冲变压器原边回路中VD2亦截止,N1这时起存储能量的作用。当NMOS管截止后,初级线圈电流减小,磁场减弱,次级线圈回路中VD4导通,能量通过VD4及C10向负载释放,输出直流电压,部分能量由VD2向电阻R12和电容C9释放。
为保证开关电源输出直流电压不受干扰,电路中提供了稳压电路。一是采用NMOS管源极串接电阻R9,把电流信号变为电压信号,送入UC3842作为比较电压,控制激励脉冲的占空比,达到稳压目的。二是变压器T中的线圈N2间接采样,起到电压反馈作用,N2间接采样后,经过VD1和C3整流,在C3上取样,该电压一方面经过R3和R4分压送到UC3842的2管脚加到误差放大器A3的反相输入端,另一方面直接送到UC3842的7管脚,作为芯片供电电压。电路刚启动时由输入电压经整流滤波降压给芯片供电,工作后由反馈电压供电,因而UC3842的电源电压反映了输出电压的变化,起到反馈作用,使输出电压稳定。三是在UC3842中,锯齿波发生器输出锯齿波的斜率还与输入电压有关,当输入电压升高时锯齿波斜率增大,使输出激励脉冲占空比减小,从而使输出电压维持稳定,反之亦然,实际上相当于反馈控制。
总结
UC3842是目前流行的电流型PWM信号发生器,具有精度高、电压稳定、外围电路简单、价格低廉等优点,广泛应用在输出电压范围是4.9~5.1V、功率为20~60W的小型功率开关电源中。 |