| 注意:访问本站需要Cookie和JavaScript支持!请设置您的浏览器! • 打开购物车 • 查看留言 • 付款方式 • 联系我们 |
![]() |
| 首页 | 电子入门 | 学单片机 | 免费资源 | 下载中心 | 商品列表 | 象棋在线 | 在线绘图 | 加盟五一 | 加入收藏 | 设为首页 |
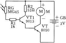
| 选择分类:当前分类——电子入门 相关联或者相类似的文章: 正确使用电饭锅(518) 调制电路与解调电路 (516) 怎样用多个开关控制一盏灯(507) 测电流法(505) 器件的筛选与检测(505) 防抖动轻触开关(503) 单片机可编程广播自动播出系统(502) 巧购电子元器件(502) 看过别笑 千元自制投影机到底啥模样(500) 如何DIY 投影机?(500) 学电子----电子元件介绍(500) 新手看图纸自制DIY投影机(500) 315M遥控电路的设计(500) 如何DIY 投影机?新手知识讲座!(500) 只要1750元 穷人也能DIY投影机[图](500) 学习电子技术是不是真的那么重要?(499) 手电筒电路(496) 断丝日光灯废管的利用(494) 单元电路图识图方法(492) 电容降压的工作原理(491) 首页 前页 后页 尾页 本站推荐: | 光电控制电路 在光电自动控制电路中,可以选用光敏电阻器做为光电传感元件。通常光敏电阻器,例如MG45有光照射时的亮阻2~10kΩ,远大于偏置电阻器R的电阻值,显然不能产生维持VT饱和导通所需强度的基极电流。因此,需要先用一支三极管进行电流放大,再驱动开关三极管工作。 ![]() 光电自动控制电路 见图。VT1和VT2接成类似复合管电路形式,VT1的发射极电流也是VT2的基极电流,R2既是VT1的负载电阻器又是VT2的基极限流电阻器。因此,当VT1基极输入微弱的电流(0.1mA),可以控制末级VT2较强电流——驱动电动机运转电流(500mA)的变化。VT1选用小功率NPN型硅管9013,hfe≈200。同前计算方法,维持两管同时饱和导通时VT1基极偏置电阻器R1约为3.3kΩ,减去光敏电阻器RG亮阻2kΩ,限流电阻器R1实取1kΩ。光敏传感器也可以采用光敏二极管,使用时要注意极性,光敏二极管的负极接供电电源正极。光敏二极管对控制光线有方向性选择,且灵敏度较高,也不会产生强光照射后的疲劳现象。 1、 本站不保证以上观点正确,就算是本站原创作品,本站也不保证内容正确。 2、如果您拥有本文版权,并且不想在本站转载,请书面通知本站立即删除并且向您公开道歉! |
|
本站协议 |
版权信息 |
关于我们 |
本站地图 |
营业执照 |
发票说明 |
付款方式 |
联系方式
深圳市宝安区西乡五壹电子商行——粤ICP备16073394号-1;地址:深圳西乡河西四坊183号;邮编:518102 E-mail:51dz$163.com($改为@);Tel:(0755)27947428 工作时间:9:30-12:00和13:30-17:30和18:30-20:30,无人接听时可以再打手机13537585389 |