六种趣味小实验,都采用低压电池供电,实验安全,。六块电路板一起。每块电路板规格:50mm*35MM,正好用本站的制作盒当外壳。本站也有相关的套件销售,有兴趣者欢迎制作。
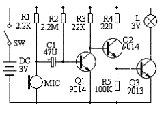
A:平时小灯泡熄灭.当周围环境有一定强度的声音信号,小灯泡点亮,经过一段时间的延时后,小灯泡熄灭。
原理图:

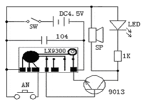
B:通电后AN没有闭合,电路处于待机状态,当按下AN后,触发端得到触发信号,LX9300输出端输出“叮咚”的音乐信号输入到三极管9013放大,推动喇叭发声,同时并联在喇叭上的LED发光,1K的电阻为LED的限流电阻。当响完三次后,又回到待机状态,等待下一次触发.
原理图:

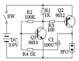
C:本电路是一个典型的多谐振荡电路。由Q1、Q2交叉耦合而成。R1、R2分别是Q1、Q2的集电极电阻。R3、R4分别是Q1、Q2的基极偏置电阻。多谐振荡器没有稳定状态,要么Q1截止、Q2导通;要么Q1导通,Q2截止,这两状态周期性的自动翻转,D1、D2周而复始的交替点亮。
原理图:

D:平时1.5V的电压是点不亮LED的,本电路在不用电感的情况下实现1.5V点亮LED。
原理图:

E:接通电源后,小灯炮就按一定的周期一亮一灭,可以用在警示牌或信号灯等方面。
原理图:

F:本电路可以把单节1.5V电压电池升高到9左右的电压后,驱动4个LED发光或供给其他需要高电压低电流的地方使用,例如代替万用表的9V积层电池.
原理图:

查看和发表评论 管理员一般会在8-48小时内回复,会删除无意义的留言以及重复留言,请保证留言标题清晰,内容明确! 1、评论不代表本站观点。 另外,即使是本站原创作品,本站也不保证内容绝对正确。 2、如果您拥有本文版权,并且不想在此处发表,请书面通知本站立即删除并且向您公开道歉! |