25. 点阵式LED“0-9”数字显示技术
1. 实验任务
利用8X8点阵显示数字0到9的数字。
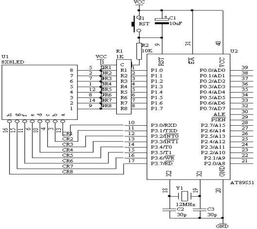
2. 电路原理图
图4.25.1
3. 硬件系统连线
(1). 把“单片机系统”区域中的P1端口用8芯排芯连接到“点阵模块”区域中的“DR1-DR8”端口上;
(2). 把“单片机系统”区域中的P3端口用8芯排芯连接到“点阵模块”区域中的“DC1-DC8”端口上;
4. 程序设计内容
(1). 数字0-9点阵显示代码的形成
如下图所示,假设显示数字“0”
1 2 3 4 5 6 7 8
| ● | ● | ● | |||||
| ● | ● | ||||||
| ● | ● | ||||||
| ● | ● | ||||||
| ● | ● | ||||||
| ● | ● | ||||||
| ● | ● | ● |
00 00 3E 41 41 41 3E 00
因此,形成的列代码为 00H,00H,3EH,41H,41H,3EH,00H,00H;只要把这些代码分别送到相应的列线上面,即可实现“0”的数字显示。
送显示代码过程如下所示
送第一列线代码到P3端口,同时置第一行线为“0”,其它行线为“1”,延时2ms左右,送第二列线代码到P3端口,同时置第二行线为“0”,其它行线为“1”,延时2ms左右,如此下去,直到送完最后一列代码,又从头开始送。
数字“1”代码建立如下图所示
1 2 3 4 5 6 7 8
| ● | |||||||
| ● | ● | ||||||
| ● | |||||||
| ● | |||||||
| ● | |||||||
| ● | |||||||
| ● | ● | ● |
其显示代码为 00H,00H,00H,00H,21H,7FH,01H,00H
数字“2”代码建立如下图所示
1 2 3 4 5 6 7 8
| ● | ● | ● | |||||
| ● | ● | ||||||
| ● | |||||||
| ● | |||||||
| ● | ● | ● | ● | ||||
| ● | |||||||
| ● | ● | ● | ● | ● |
00H,00H,27H,45H,45H,45H,39H,00H
数字“3”代码建立如下图所示
1 2 3 4 5 6 7 8
| ● | ● | ● | |||||
| ● | ● | ||||||
| ● | |||||||
| ● | ● | ● | |||||
| ● | |||||||
| ● | ● | ||||||
| ● | ● | ● |
00H,00H,22H,49H,49H,49H,36H,00H
数字“4”代码建立如下图所示
1 2 3 4 5 6 7 8
| ● | |||||||
| ● | ● | ||||||
| ● | ● | ||||||
| ● | ● | ||||||
| ● | ● | ● | ● | ● | |||
| ● | |||||||
| ● |
00H,00H,0CH,14H,24H,7FH,04H,00H
数字“5”代码建立如下图所示
1 2 3 4 5 6 7 8
| ● | ● | ● | ● | ● | |||
| ● | |||||||
| ● | ● | ● | ● | ||||
| ● | |||||||
| ● | |||||||
| ● | ● | ||||||
| ● | ● | ● |
00H,00H,72H,51H,51H,51H,4EH,00H
数字“6”代码建立如下图所示
1 2 3 4 5 6 7 8
| ● | ● | ● | |||||
| ● | ● | ||||||
| ● | |||||||
| ● | ● | ● | ● | ||||
| ● | ● | ||||||
| ● | ● | ||||||
| ● | ● | ● |
00H,00H,3EH,49H,49H,49H,26H,00H
数字“7”代码建立如下图所示
1 2 3 4 5 6 7 8
| ● | ● | ● | ● | ● | |||
| ● | |||||||
| ● | |||||||
| ● | |||||||
| ● | |||||||
| ● | |||||||
| ● |
00H,00H,40H,40H,40H,4FH,70H,00H
数字“8”代码建立如下图所示
1 2 3 4 5 6 7 8
| ● | ● | ● | |||||
| ● | ● | ||||||
| ● | ● | ||||||
| ● | ● | ● | |||||
| ● | ● | ||||||
| ● | ● | ||||||
| ● | ● | ● |
00H,00H,36H,49H,49H,49H,36H,00H
数字“9”代码建立如下图所示
1 2 3 4 5 6 7 8
| ● | ● | ● | |||||
| ● | ● | ||||||
| ● | ● | ||||||
| ● | ● | ● | ● | ||||
| ● | |||||||
| ● | ● | ||||||
| ● | ● | ● |
00H,00H,32H,49H,49H,49H,3EH,00H
5. 汇编源程序
TIM EQU 30H
CNTA EQU 31H
CNTB EQU 32H
ORG 00H
LJMP START
ORG 0BH
LJMP T0X
ORG 30H
START: MOV TIM,#00H
MOV CNTA,#00H
MOV CNTB,#00H
MOV TMOD,#01H
MOV TH0,#(65536-4000)/256
MOV TL0,#(65536-4000) MOD 256
SETB TR0
SETB ET0
SETB EA
SJMP $
T0X:
MOV TH0,#(65536-4000)/256
MOV TL0,#(65536-4000) MOD 256
MOV DPTR,#TAB
MOV A,CNTA
MOVC A,@A+DPTR
MOV P3,A
MOV DPTR,#DIGIT
MOV A,CNTB
MOV B,#8
MUL AB
ADD A,CNTA
MOVC A,@A+DPTR
MOV P1,A
INC CNTA
MOV A,CNTA
CJNE A,#8,NEXT
MOV CNTA,#00H
NEXT: INC TIM
MOV A,TIM
CJNE A,#250,NEX
MOV TIM,#00H
INC CNTB
MOV A,CNTB
CJNE A,#10,NEX
MOV CNTB,#00H
NEX: RETI
TAB: DB 0FEH,0FDH,0FBH,0F7H,0EFH,0DFH,0BFH,07FH
DIGIT: DB 00H,00H,3EH,41H,41H,41H,3EH,00H
DB 00H,00H,00H,00H,21H,7FH,01H,00H
DB 00H,00H,27H,45H,45H,45H,39H,00H
DB 00H,00H,22H,49H,49H,49H,36H,00H
DB 00H,00H,0CH,14H,24H,7FH,04H,00H
DB 00H,00H,72H,51H,51H,51H,4EH,00H
DB 00H,00H,3EH,49H,49H,49H,26H,00H
DB 00H,00H,40H,40H,40H,4FH,70H,00H
DB 00H,00H,36H,49H,49H,49H,36H,00H
DB 00H,00H,32H,49H,49H,49H,3EH,00H
END
6. C语言源程序
#include <AT89X52.H>
unsigned char code tab[]={0xfe,0xfd,0xfb,0xf7,0xef,0xdf,0xbf,0x7f};
unsigned char code digittab[10][8]={
{0x00,0x00,0x3e,0x41,0x41,0x41,0x3e,0x00}, //0
{0x00,0x00,0x00,0x00,0x21,0x7f,0x01,0x00}, //1
{0x00,0x00,0x27,0x45,0x45,0x45,0x39,0x00}, //2
{0x00,0x00,0x22,0x49,0x49,0x49,0x36,0x00}, //3
{0x00,0x00,0x0c,0x14,0x24,0x7f,0x04,0x00}, //4
{0x00,0x00,0x72,0x51,0x51,0x51,0x4e,0x00}, //5
{0x00,0x00,0x3e,0x49,0x49,0x49,0x26,0x00}, //6
{0x00,0x00,0x40,0x40,0x40,0x4f,0x70,0x00}, //7
{0x00,0x00,0x36,0x49,0x49,0x49,0x36,0x00}, //8
{0x00,0x00,0x32,0x49,0x49,0x49,0x3e,0x00} //9
};
unsigned int timecount;
unsigned char cnta;
unsigned char cntb;
void main(void)
{
TMOD=0x01;
TH0=(65536-3000)/256;
TL0=(65536-3000)%256;
TR0=1;
ET0=1;
EA=1;
while(1)
{;
}
}
void t0(void) interrupt 1 using 0
{
TH0=(65536-3000)/256;
TL0=(65536-3000)%256;
P3=tab[cnta];
P1=digittab[cntb][cnta];
cnta++;
if(cnta==8)
{
cnta=0;
}
timecount++;
if(timecount==333)
{
timecount=0;
cntb++;
if(cntb==10)
{
cntb=0;
}
}
}